Городские очистные сооружения

Проекты для объектов коммунального хозяйства. Широкий спектр применяемых технологий позволяет выполнять задачи по любым видам и типам сооружений в зависимости от требований Заказчика.

background
За основу биологического процесса, в большинстве случаев, принимают нитрификацию-денитрификацию. Организация типа процесса возможна любая: MBR, MBBR, Air jet aeration, схемы с вакуумированием активного ила и традиционные схемы.

Строительная часть выполняется в соответствии с требованиями Заказчика (в том числе с кольцевыми аэротенками или прямоугольными вторичными отстойниками).

Fenno Water осуществляет разработку базовых проектов для хозяйственно бытовых сооружений с производительностью от 500 м3 в сутки до 250 000 м3 в сутки. Организациям, занимающимся реализацией концессионных проектов и долгосрочным инвестированием в строительство очистных сооружений, наша компания предлагает сотрудничество как по комплектации проекта «под ключ», так и по поставке единичного оборудования.
Компактные очистные сооружения
Компания Fenno Water предлагает компактные очистные сооружения биологической очистки хозяйственно-бытовых сточных вод. Данные сооружения могут быть использованы для обслуживания нужд малых населенных пунктов, коттеджных поселков, дачных кооперативов и малых предприятий.

Особенностью сооружений является использование минимального количества технологического оборудования, отсутствие необходимости блочно-модульных конструкций и металлических емкостей.

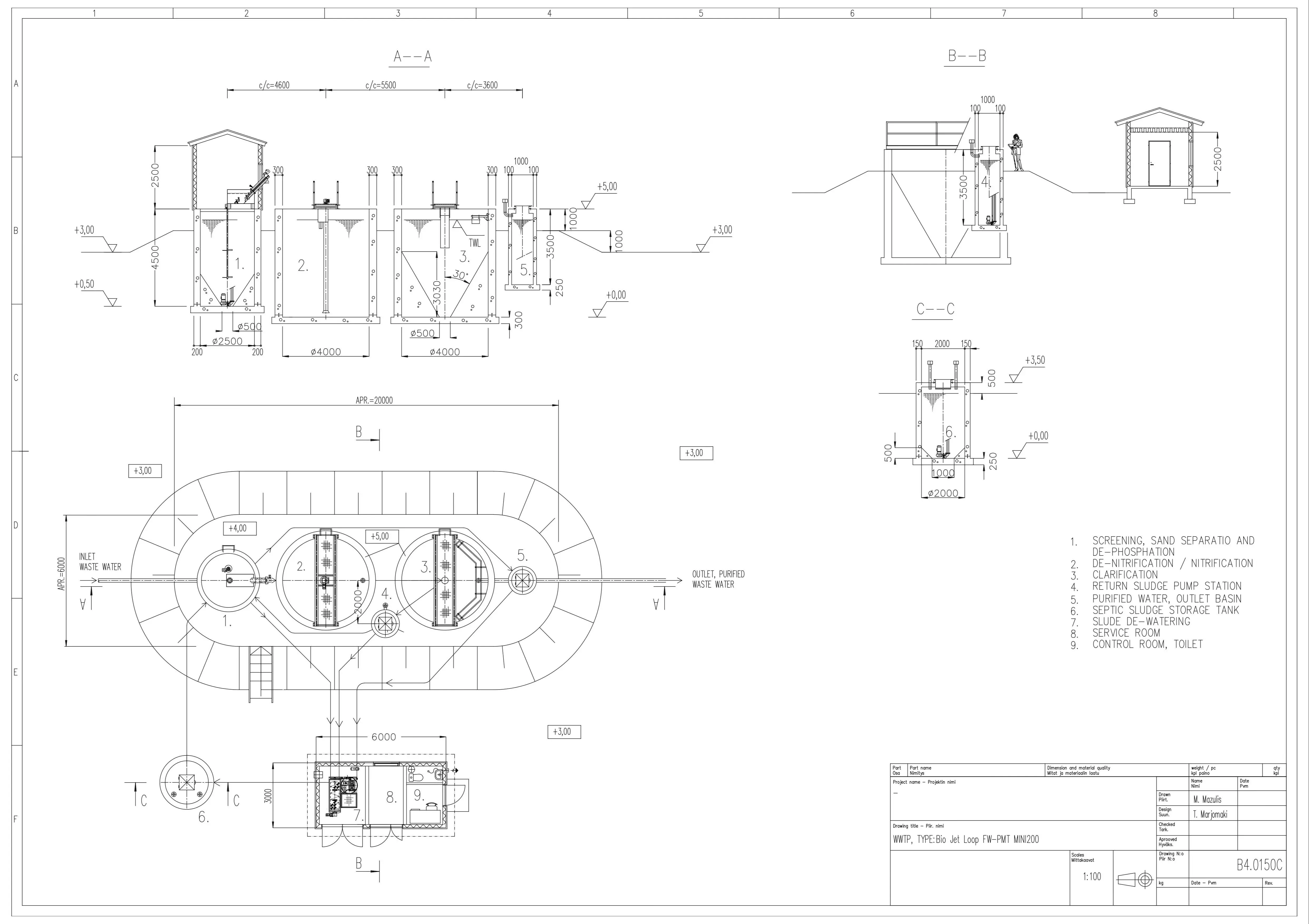
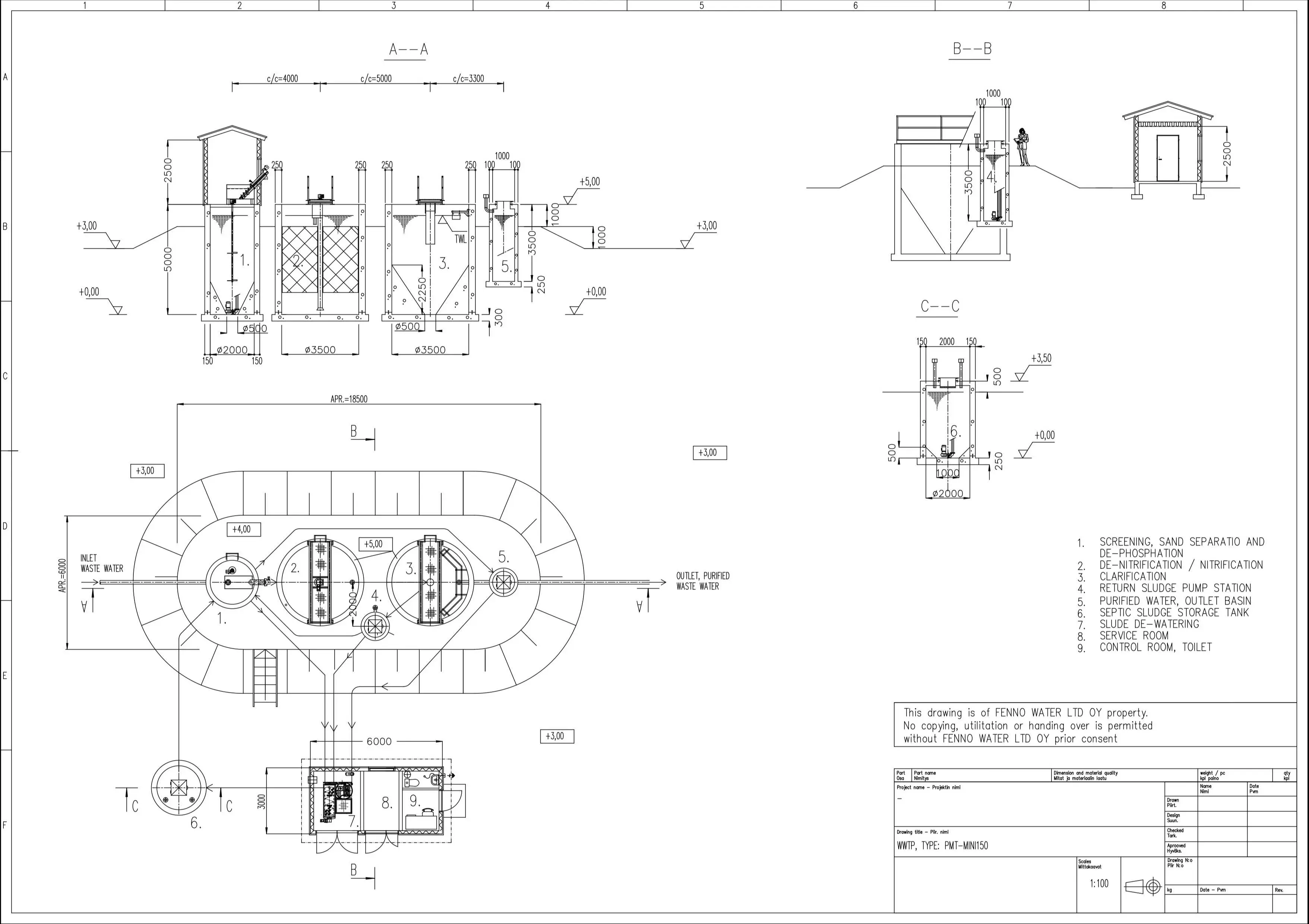
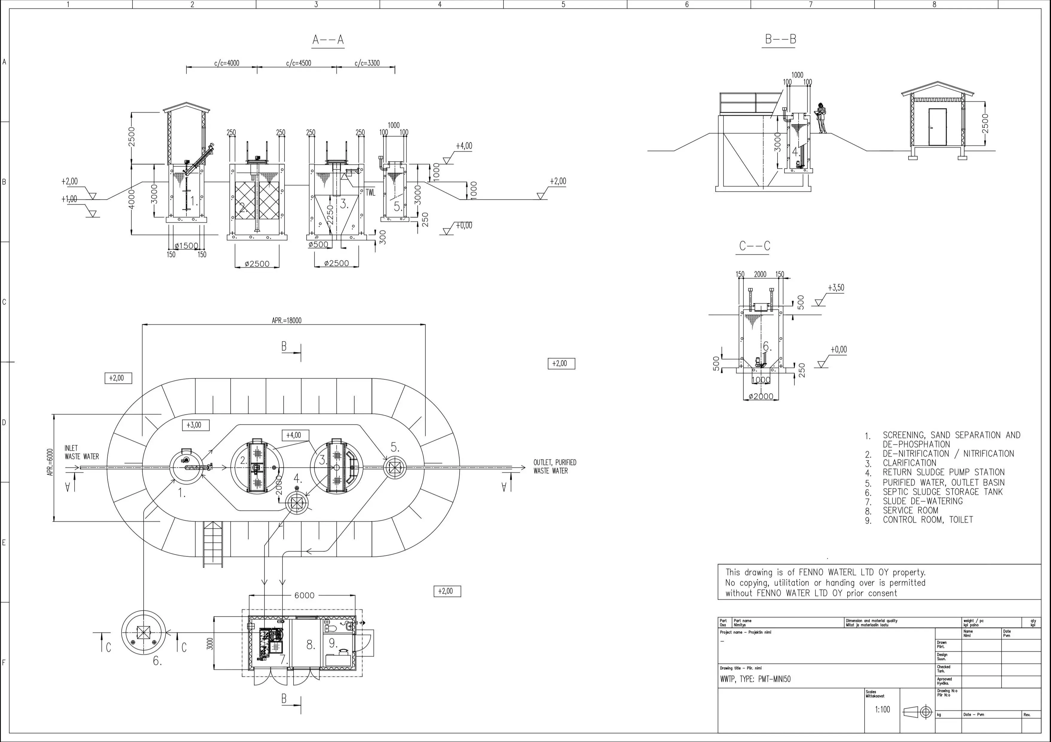
Линейка оборудования представлена для биологических очистных сооружений типовой производительности – 50, 150, 200 кубических метров в сутки и их комбинации в различное количество линий. Проекты являются максимально сбалансированными по составу оборудования и его стоимости.
Компактные очистные сооружения. Планировка
Компактные очистные сооружения MINI 50
Компактные очистные сооружения MINI 150

Документация

Компактные очистные сооружения MINI 200